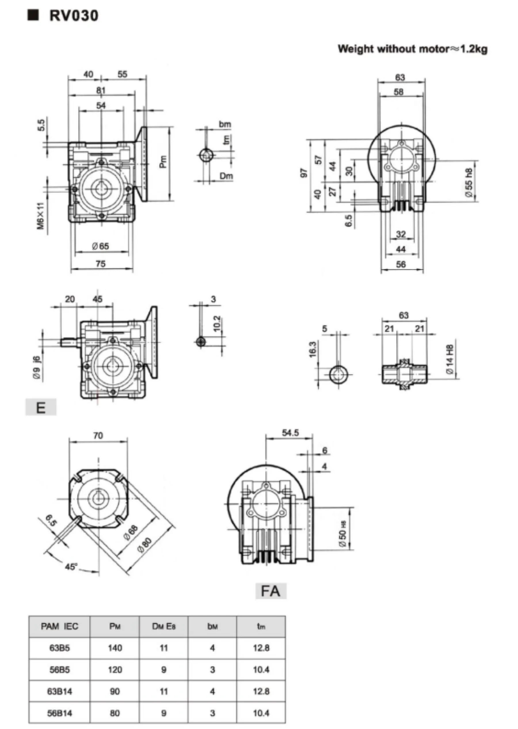
Технические характеристики:
Тип редуктора:
Червячный
Передаточное соотношение:
1:30
Диаметр входного вала:
11 мм
Диаметр выходного вала:
14 мм
Фланец:
63B5
Типоразмер:
030
О товаре
Червячный редуктор NMRV030-30-63B5
Передаточное соотношение:
1:30
Диаметр входного вала:
11 мм
Диаметр выходного вала:
14 мм
Подробнее
от 4,100 ₽ *
Цена в рублях с НДС 22%, рассчитана по курсу ЦБ РФ на дату 25.02.2026, не является публичной офертой, итоговая стоимость заказа предоставляется в коммерческом предложении от менеджера, по курсу в день оплаты
Заинтересовал товар?
Оставьте свои данные и мы вам перезвоним

































